Three wires are required on the switch because its a double switch. Full wiring kit for all light bars with laser rocker switch on off switch.
12v 40a Led Work Fog Light Lamp Bar Wiring Harness Kit On Off Switch Relay Us
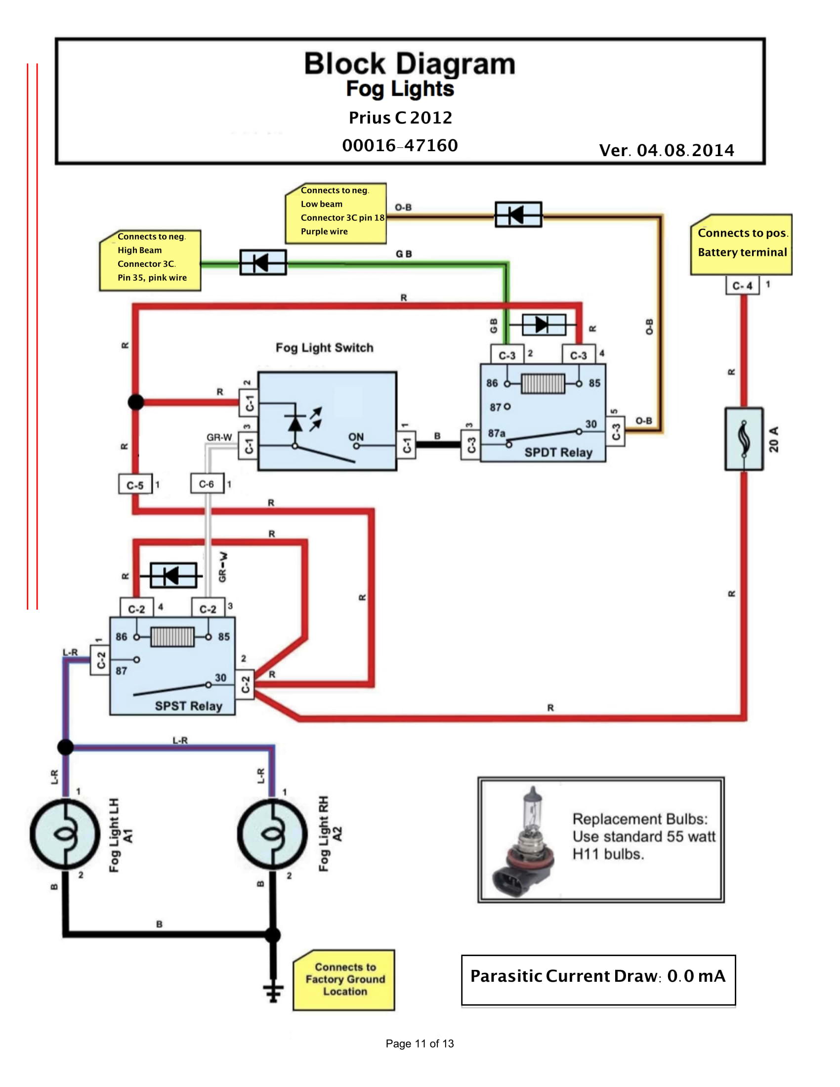
Why do i need a relay for fog lights. 12v led fog light laser rocker onoff switch wiring harness 40a relay fuse red. When the current increases this switch needs to be big. Ford used an automatic circuit breaker. The fog lights are lights underneath the headlights that are designed to improve visibility in dense fog or rain conditions. Basically what happens is that small wiring and a small switch in the dash or wherever are used to turn onoff a bigger switch the relay that can handle lots of amps and has big wires running to and from it. When the fog and driving lights fail drivers may struggle to readjust to the standard high beamlow beam headlights.
An electrical system is only as reliable as its components. For lower powered lights it is possible to do so but it is generally good practice to install a switch with an in line fuse. Connect the wire for lights bar from the relay. A relay is an electrical switch that lets a low current circuit control a high current circuit such as a large led light bar. A relay is an electro mechanical switch. They are meant to help the driver see the edges of the road when visibility is low.
For anything above 30w we recommend installing a relay. A relay is just an electrically operated switch. One easy way to increase system reliability and performance is by using relays to switch devices lights fuel pumps fans etc on and off. The fog light relay is the electrical relay that is responsible for controlling power to the fog lights. Redblack correspond to the wire of lights bar. How this system works.
When a driver wishes to use their fog or driving lights they engage a switch in the cabin which indicates to a relay that the lights should be turned on. If you are using a light pod that does not have a very large amp draw you may not need a relay switch but if you are using a larger led light bar they are a must have. An electro magnet also called a coil is used to pull a set of contacts or pins together. When you turn on the fog lamps the switch also powers the taillights wouldnt do to be rear ended in fog because you forgot to turn them on and the taillights backfeed the instrument lights so you can see them too.















