I changed fuse 20 beside fuse 5 they both were very small fuses in the upper right hand corner near firewall on my 1998 f 150. Ford expedition turn lights wiring diagram 15 pdf drive search and download pdf files for free.
Fuses And Relay Box Diagram Ford F150 1997 2003
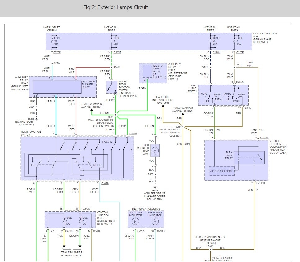
1998 ford expedition turn signal fuse location. Much cheaper than paying a service to do it. 2001 ford expedition turn signal does not work fuse ok hazard lights ok. The 1998 ford expedition headlight relay switch is located in the fuse box. Consistent original rear view mirror drivernside broke and had to be replaced with factory mirror morror works fine when conected on passenger side. The set of fuses that had fuse 20 from napa was around 5 or 6 dollars. Changed multi function switch and it still does not work.
Register sign in 0 1 answer 1 comment. The headlight relay switch will be in the third. Tito1 in san bernardino ca on. Patrick mannion of greg solows engine room on. 1998 expedition all turn signals inop 1998 ford expedition need help on locate problem all turn signalsemergency lights and horn stop working all fuses ok. The lord jesus christ helped me out and that fixed it.
Are you fixing your expedition yourself. 1998 ford expedition 1998 expedition all turn. 1997 1998 1999 2000 2001 2002. What have you tried so far. Sign in or register to let us know. The fuse panel is located below.
What is the modelyear of your ford. Found turn signal relays seems to be working fine. 97 expedition power lock relays location duration. 2003 ford expedition signal relay switch. Ford expedition turn lights wiring diagram ford expedition turn lights wiring wiring pigtail kits allow technicians to easily remove terminals from ford connectors these tools coincide with the release by ford of 9 terminal repair kits to allow you to repair connectors with damaged terminals instead of replacing an entire wire harness improved wiring repair capability was a key request of. Left front turn signal and exterior driver side rear view mirror have no power.
Instead the flasher function is performed by the multifunction switch located in the steering column. Where is located the fuse for a evap purge control valve in a ford expedition 2004 54l thank you posted by fidel exeni on jul 10 2020 want answer 1. Ford expedition 1997 2002 fuse box diagram. The fuse box can be found in the engine compartment. Noticed a burn mark on the plug into the multi function switch. 2000 ford expedition turn signal wiper switch replacement duration.
Is the power loss consistent or does it fluctuate.

















